- 商品介绍
- 资料下载
塞尔瑟斯A2系列机械式微差压表是利用无摩擦的磁体螺旋运动,以橡胶膜片作为敏感元件而进行测量工作的弹性式压力表,它能利用指针迅速指示出被测气体的压力,无论是正压,负压和差压。此设计具有防震,防摇动和防过压的功能,表内无需充注液体,更无气化,冻结,异味的问题。
A2差压表被广泛应用于测量风扇和鼓风机的压力、过滤器阻力、风速,炉压,孔板差压,气泡水位及液体放大器和液压系统压力等,同时也可用于燃烧过程中的空气煤气比值控制及自动阀控制,以及医疗保健设备中的血压和呼吸压力的监测。
安装和选件:
●可调信号标志选项
装在释放塞下面的黑色指针可用于在现场标记出临界压力,以提示操作人员临界压力点
●前面板加装过压释放塞
由硅橡胶制成,为额定压力为15PSI的差压表提供过压保护。在约25PSI时打开。
●纺织氨纶行业定制
抗DMAC腐蚀性气体,根据不同工况可选择不同面板及内部材质。
●带风速阻尼器的塔形引压接头
在过滤器监测和风速测量时,防止空气抖动引起的指针抖动,便于精确读数。
●低温选项
专用于在低温环境下使用,更低可达-40'C。
●中/高压应用
可承受35PSI和80PSI的压力,不带过压释放塞。壳体规格27 x 63. 5mm
●静压探头测量选件
提供6”,8”,12"三种长度的静压探头
●安装支架选件
嵌入式/表面式/管道式三种支架便于A2安装在各种应用场合
●可选天然气
使用专用于天然气的膜片和表罩,壳体规格27 x 63.5mm
●红/黄/绿彩色
表盘采用酲目的颜色标出重要的压力区域,需订制。
性能指标:
精度:标准为+2%F.S (60Pa~ 125Pa为+4%F .S)
环境温度; -7~60'c
额定压力: -68~ 100KPa
过压:约100kPa时橡胶过压塞被冲开。
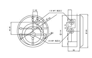
过程连接:高压和低压孔均为1/8"锥管螺纹。两组(侧面和背面各一组)
外壳材质:压模铸铝或含尼龙的ABS塑料
重量: 460g(铝)275g(ABS)
标准附件: 2个1/8” NPT堵头。2个1/8" 螺纹橡胶
管接头和3个带螺钉的嵌入式安装螺钉卡
外形尺寸:

订货选型:
