网站首页
公司简介
产品展示
行业应用
新闻中心
下载中心
联系我们
欢迎访问苏州森瑟仪表科技有限公司!
关于我们
收藏网站
返回首页
咨询热线:
0512-68129712
专注品质仪表服务商
网站首页
公司简介
产品展示
压力、压差仪表
温度仪表
手持仪表
加拿大SAILSORS
美国DWYER
行业应用
新闻中心
行业新闻
下载中心
联系我们
产品展示
Product line
压力、压差仪表
压差表
压差开关
压差变送器
温度仪表
温度传感器
手持仪表
手持仪表
加拿大SAILSORS
压力压差仪表
美国DWYER
压力、压差仪表
联系我们
contact us
手机:18915530377
电话:0512-68129712
传真:0512-68117045
Q Q:675151364
地址:苏州吴中经济开发区越溪街道兴昂路99号4幢2308室
当前位置:
首页
> 产品展示
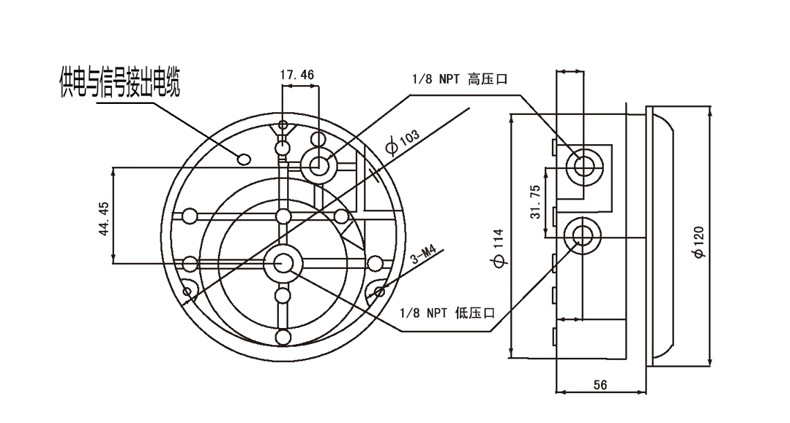
数显压差表、压差变送器
在线咨询
商品介绍
资料下载
2000S数显压差表选型手册
2021-03-09
电话
短信
微信
在线咨询
在线沟通,请点我
在线交谈
联系电话:
0512-68129712
18915530377