- 商品介绍
- 资料下载
2000系列机械式微差压表是利用无摩擦的磁体螺旋运动,以橡胶膜片作为敏
感元件而进行测量工作的弹性式压力表,它能利用指针迅速指示出被测气体的压力,无论是正压、负压和差压。此设计具有防震、防摇动和防过压的功能,表内无需充注液体,更无气化、冻结、异味的问题。
2000差压表被广泛应用于测量风扇和鼓风机的压力、过滤器阻力、风速、炉压、孔板差压、气泡水位及液体放大器和液压系统压力等,同时也可用于燃烧过程中的空气煤气比值控制及自动阀控制,以及医疗保健设备中的血压和呼吸压力的监测。
安选和选件:
● 可调信号标志选项
装在释放塞下面的黑色指针可用于在现场标记出临界压力,以提示操作人员临界压力点
带可调信号标志红黄绿三色表盘
● 前面板加装过压释放塞
由硅橡胶制成,为额定压力为15PSI的差压表提供过压保护。在约25PSI时打开。
● 低成本ABS外壳
中高压外壳嵌入式支架
在大批量低成本的应用中,可选ABS外壳和引压接头,性能与铝壳近似.
● 带风速阻尼器的塔形引压接头
在过滤器监测和风速测量时,防止空气抖动引起的指针抖动,便于精确读数。
● 低温选项
专用于在低温环境下使用,更低可达-40℃。
● 中/高压应用
可承受35PSI和80PSI的压力,不带过压释放塞,壳体规格27×63.5mm
● 静压探头测量选件
管道式支架表面式支架
提供6″,8″,12″三种长度的静压探头
● 安装支架选件
嵌入式/表面式/管道式三种支架便于A2安装在各种应用场合
● 可选天然气
使用专用于天然气的膜片和表罩,壳体规格27×63.5mm
● 红/黄/绿彩色
表盘采用醒目的颜色标出重要的压力区域,需订制。
性能指标:
精度:标准为±2%F.S(60Pa~125Pa为±4%F.S)
环境温度:-7~60℃
额定压力:-68~100KPa
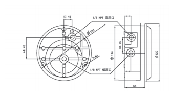
过压:约100kPa时橡胶过压塞被冲开。过程连接:高压和低压孔均为1/8″锥管螺纹,两组(侧面和背面各一组)
外壳材质:压模铸铝或含尼龙的ABS塑料
重量:460g(铝) 275g(ABS)
标准附件:2个1/8″NPT堵头,2个1/8″螺纹橡胶管接头和3个带螺钉的嵌入式安装螺钉卡
外形尺寸:

订货选型:

可选免费安装附件!